Fatores a Considerar na Compra de uma Abraçadeira para Mangueira de Combustível
Material: O material utilizado no fabrico da abraçadeira determinará a sua durabilidade e resistência à corrosão. O aço inoxidável e o alumínio são escolhas populares devido à sua resistência e robustez.
Diâmetro da Mangueira: Nem todas as abraçadeiras para mangueira de combustível se adaptam a todos os tamanhos de mangueira. Certifique-se de que mede o diâmetro das suas mangueiras antes de comprar uma abraçadeira.
Aperto/Ajustabilidade: A capacidade de ajustar o aperto da abraçadeira é crucial para garantir um encaixe seguro. Algumas abraçadeiras têm mecanismos de parafuso mais precisos do que outras, por isso escolha uma com base nas suas necessidades.
Mecanismo de Tensionamento: Como referido anteriormente, os diferentes tipos de abraçadeiras possuem diferentes mecanismos de tensionamento. Considere qual o tipo que seria mais adequado para a sua aplicação.
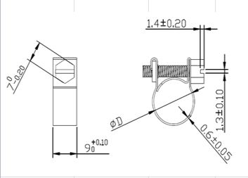
Mini Abraçadeiras, também conhecidas como abraçadeiras de porca e parafuso. Estas abraçadeiras apresentam arestas sólidas e laminadas com um design especial de aperto de porcas e parafusos e são concebidas para proporcionar a pressão de vedação uniforme necessária nas mangueiras de injeção de combustível.
Braçadeiras Miniatura (também conhecidas como grampos de porca e parafuso).
Estes grampos possuem bandas com bordas enroladas sólidas e um design especial de aperto por porca/parafuso, projetados para fornecer a pressão de vedação uniforme exigida em mangueiras de injeção de combustível.
K-SEAL código |
Banda |
Habitação |
Parafuso |
Resistência à corrosão |
Sugestão de binário de instalação (Nm) |
KMCxx |
aço glavanizado |
aço glavanizado |
aço glavanizado |
Comum |
Ver tabela |
KMCGxxSS |
304 SS |
304 SS |
304 SS |
Boa |
Ver tabela |
Part No.(W1) | Part No. (W4) | Ajuste (mm) | Largura de banda (mm) | Espessura da banda (mm) | Binário recomendado (Nm) | QTD/Caixa |
KMC0608 | KMCG0608SS | 6-8 | 9SS | 0.6SS | 1.5SS | 1000 |
KMC0709 | KMCG0709SS | 7-9 | 9SS | 0.6SS | 1.5SS | 1000SS |
KMC0810 | KMCG0810SS | 8-10 | 9SS | 0.6SS | 1.5SS | 1000SS |
KMC0911 | KMCG0911SS | 9-11 | 9SS | 0.6SS | 1.5SS | 1000SS |
KMC1012 | KMCG1012SS | 10-12 | 9SS | 0.6SS | 1.5SS | 1000SS |
KMC1113 | KMCG1113SS | 11-13 | 9SS | 0.6SS | 1.5SS | 1000SS |
KMC1214 | KMCG1214SS | 12-14 | 9SS | 0.6SS | 1.5SS | 1000SS |
KMC1315 | KMCG1315SS | 13-15 | 9SS | 0.6SS | 1.5SS | 500SS |
KMC1416 | KMCG1416SS | 14-16 | 9SS | 0.6SS | 1.5SS | 500SS |
KMC1517 | KMCG1517SS | 15-17 | 9SS | 0.6SS | 1.5SS | 500SS |
KMC1618 | KMCG1618SS | 16-18 | 9SS | 0.6SS | 1.5SS | 500SS |
KMC1719 | KMCG1719SS | 17-19 | 9SS | 0.6SS | 1.5SS | 500SS |
KMC1820 | KMCG1820SS | 18-20 | 9SS | 0.6SS | 1.5SS | 500SS |
KMC1921 | KMCG1921SS | 19-21 | 9SS | 0.6SS | 1.5SS | 500SS |
KMC2022 | KMCG2022SS | 20-22 | 9SS | 0.6SS | 1.5SS | 500SS |
KMC2123 | KMCG2123SS | 21-23 | 9SS | 0.6SS | 1.5SS | 500SS |
KMC2224 | KMCG2224SS | 22-24 | 9SS | 0.6SS | 1.5SS | 500SS |
KMC2325 | KMCG2325SS | 23-25 | 9SS | 0.6SS | 1.5SS | 500SS |
KMC2426 | KMCG2426SS | 24-26 | 9SS | 0.6SS | 1.5SS | 500SS |
KMC2527 | KMCG2527SS | 25-27 | 9SS | 0.6SS | 1.5SS | 500SS |
KMC2628 | KMCG2628SS | 26-28 | 9SS | 0.6SS | 1.5SS | 500SS |
KMC2729 | KMCG2729SS | 27-29 | 9SS | 0.6SS | 1.5SS | 500SS |
KMC2830 | KMCG2830SS | 28-30 | 9SS | 0.6SS | 1.5SS | 500SS |
KMC2931 | KMCG2931SS | 29-31 | 9SS | 0.6SS | 1.5SS | 500SS |
KMC3032 | KMCG3032SS | 30-32 | 9SS | 0.6SS | 1.5SS | 500SS |
KMC3133 | KMCG3133SS | 31-33 | 9SS | 0.6SS | 1.5SS | 500SS |
KMC3234 | KMCG3234SS | 32-34 | 9SS | 0.6SS | 1.5SS | 500SS |