O que são grampos de aperto rápido e como funcionam?
Os grampos de aperto rápido são ferramentas concebidas para fixar materiais com segurança, permitindo ajustes rápidos e fáceis. Possuem normalmente um mecanismo de alavanca que permite aos utilizadores abrir e fechar o grampo com uma única mão, proporcionando comodidade e eficiência, especialmente em situações em que o tempo é um fator importante. O design inclui normalmente uma pinça fixa e uma pinça móvel que podem ser ajustadas para acomodar vários tamanhos de material.
Estes grampos são comummente utilizados em marcenaria, metalurgia e outros cenários onde a fixação é essencial para garantir a precisão e estabilidade durante os processos de trabalho. A sua capacidade de fixar e soltar materiais rapidamente torna-os os favoritos entre os profissionais e entusiastas de bricolage, reduzindo o tempo gasto na configuração e aumentando a produtividade.
Estes grampos de rosca sem-fim de aperto rápido são ideais para aplicações em sistemas fechados, onde o grampo necessita de ser desengatado para ser aplicado. São fáceis de instalar e remover devido ao bloqueio rotativo do parafuso. Este grampo possui uma ampla faixa de fixação, o que os torna muito versáteis.
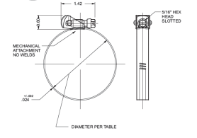
Braçadeira de Liberação Rápida
Estas braçadeiras de liberação rápida com acionamento por rosca sem-fim são ideais para sistemas fechados onde a braçadeira precisa ser desengatada para instalação. Sua instalação e remoção são facilitadas pelo travamento por ação giratória do parafuso. Com ampla faixa de aperto, oferecem versatilidade excepcional.
K-SEAL código | Banda | Habitação | Bloco de impulso | Parafuso | Resistência à corrosão | Sugestão de binário de instalação (Nm) |
QRXXXSS | 200Série SS | 200Série SS | 420SS | 410SS | Boa | 4.0-5.0 |
QRXXXS2 | 200Série SS | 200Série SS | 420SS | 200Série SS | Boa | 4.0-5.0 |
QRXXXS3 | 300Série SS | 300Série SS | 420SS | 300Série SS | Melhor | 4.0-5.0 |
Tamanho Ref. | Faixa de diâmetro | |||
Mínimo (polegada) | Máx. (polegadas) | Mínimo (mm) | Máx. (mm) | |
12 | 0.50 | 1.25 | 13 | 32 |
16 | 0.75 | 1.50 | 19 | 38 |
20 | 0.75 | 1.75 | 19 | 44 |
24 | 0.75 | 2.00 | 19 | 51 |
28 | 1.00 | 2.25 | 25 | 57 |
32 | 1.00 | 2.50 | 25 | 64 |
36 | 1.00 | 2.75 | 25 | 70 |
40 | 1.00 | 3.00 | 25 | 76 |
44 | 1.00 | 3.25 | 25 | 83 |
48 | 1.50 | 3.50 | 38 | 89 |
52 | 1.50 | 3.75 | 38 | 95 |
56# | 1.50 | 4.00 | 38 | 102 |
60 | 1.50 | 4.25 | 38 | 108 |
64 | 1.50 | 4.50 | 38 | 114 |
68 | 1.50 | 4.75 | 38 | 121 |
72# | 1.50 | 5.00 | 38 | 127 |
76 | 1.50 | 5.25 | 38 | 133 |
80 | 1.50 | 5.50 | 38 | 140 |
84 | 1.50 | 5.75 | 38 | 146 |
88# | 2.00 | 6.00 | 51 | 152 |
92 | 2.00 | 6.25 | 51 | 159 |
96 | 2.00 | 6.50 | 51 | 165 |
100 | 2.00 | 6.75 | 51 | 171 |
104# | 2.00 | 7.00 | 51 | 178 |
108 | 2.00 | 7.25 | 51 | 184 |
112 | 2.00 | 7.50 | 51 | 191 |
116 | 2.00 | 7.75 | 51 | 197 |
120 | 2.00 | 8.00 | 51 | 203 |
124 | 2.00 | 8.25 | 51 | 210 |
128 | 2.00 | 8.50 | 51 | 216 |
132 | 2.00 | 8.75 | 51 | 222 |
Tamanho Ref. | Faixa de diâmetro | |||
Mínimo (polegada) | Máx. (polegadas) | Mínimo (mm) | Máx. (mm) | |
136 | 2.00 | 9.00 | 51 | 229 |
140 | 2.00 | 9.25 | 51 | 235 |
144 | 2.00 | 9.50 | 51 | 241 |
148 | 2.00 | 9.75 | 51 | 248 |
152 | 2.00 | 10.00 | 51 | 254 |
156 | 2.00 | 10.25 | 51 | 260 |
160 | 2.00 | 10.50 | 51 | 267 |
164 | 2.00 | 10.75 | 51 | 273 |
168 | 2.00 | 11.00 | 51 | 279 |
172 | 2.00 | 11.25 | 51 | 286 |
176 | 2.00 | 11.50 | 51 | 292 |
180 | 2.00 | 11.75 | 51 | 298 |
184 | 2.00 | 12.00 | 51 | 305 |
188# | 2.00 | 12.25 | 51 | 311 |
192 | 2.00 | 12.50 | 51 | 318 |
200 | 2.00 | 13.00 | 51 | 330 |
208 | 2.00 | 13.50 | 51 | 343 |
216 | 2.00 | 14.00 | 51 | 356 |
224 | 2.00 | 14.50 | 51 | 368 |
232 | 2.00 | 15.00 | 51 | 381 |
240 | 2.00 | 15.50 | 51 | 394 |
248# | 2.00 | 16.00 | 51 | 406 |
256 | 2.00 | 16.50 | 51 | 419 |
258 | 2.00 | 16.63 | 51 | 422 |
264 | 2.00 | 17.00 | 51 | 432 |
272 | 2.00 | 17.50 | 51 | 445 |
280 | 2.00 | 18.00 | 51 | 457 |
288# | 2.00 | 18.50 | 51 | 470 |
296 | 2.00 | 19.00 | 51 | 483 |
304 | 2.00 | 19.50 | 51 | 495 |
312# | 2.00 | 20.00 | 51 | 508 |
Disponível em estoque embalado individualmente e a granel. Outros métodos de embalagem disponíveis.
As braçadeiras atendem ou excedem a norma SAE J1508 Tipo F.
MAIS TAMANHOS DISPONÍVEIS SOB CONSULTA.